
ISO container Lenkrolle mit Bremse 150 mm - 1800 kg
Container Lenkrolle mit Bremse 150 mm mit ISO Twistlock - 1800 kg
Die ISO Container Lenkrolle wurde speziell entwickelt, um ISO-Container auch unter schweren Lasten leicht bewegen zu können. Um den Twist-Lock-Mechanismus zu befestigen, muss der Drehgriff gedrückt werden, wodurch sich der Mechanismus an den Eckbeschlägen der Verbindung festklemmt. Der gesamte Anbringungsprozess wird in unserem Leitfaden für Container-Rollen ausführlich beschrieben.
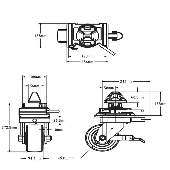
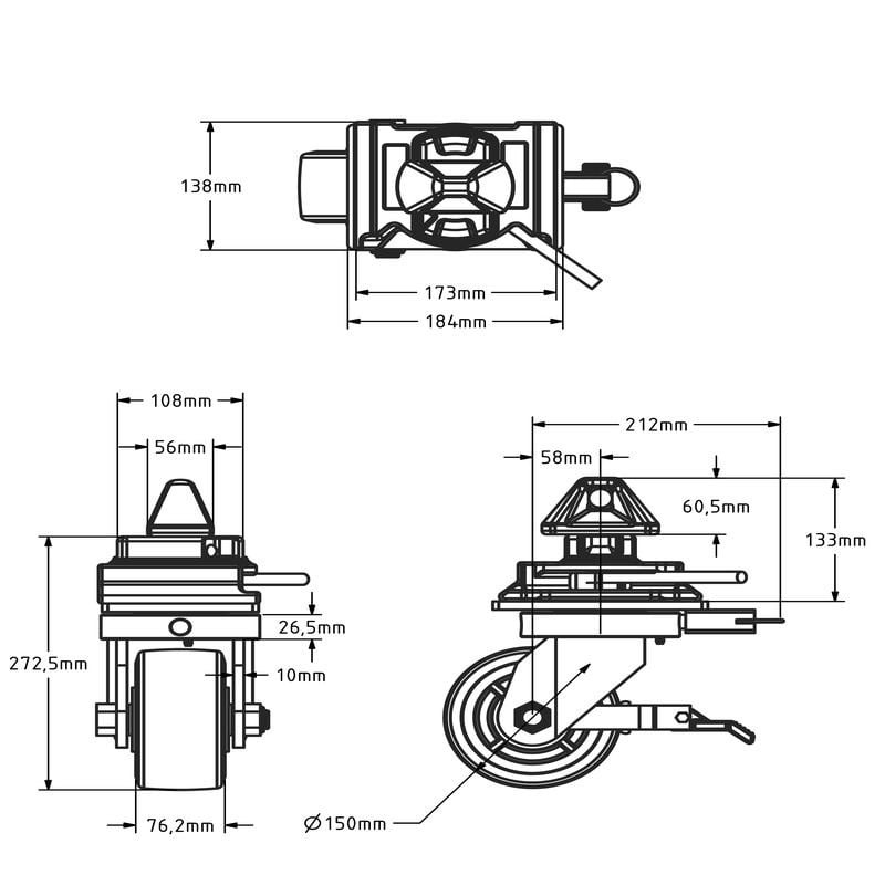
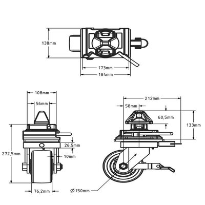
Die Lenkrolle hat einen Durchmesser von 150 mm und eine Breite von 73 mm, was eine geringe Bauhöhe bei hoher Belastung gewährleistet. Die Räder haben einen gelben Polyurethan-Reifen, der auf schwarz lackierte Grauguss-Felgen aufvulkanisiert ist. Die Reifen haben eine Härte von ca. 95 Shore A, wodurch das Rad leicht gedämpft und für unebene Oberflächen geeignet ist. Das Rad wird durch den Bremsmechanismus blockiert und verfügt über doppelte Kugellager 6205 2RS für einen reibungslosen und spannungsfreien Betrieb. Die Lenkrolle hat eine dynamische Tragfähigkeit von 1800 kg.
Der Drehkopf des Rades verfügt über eine vierfache Richtungssperre, die es ermöglicht, den Drehkopf in jedem 90-Grad-Winkel zu arretieren. Dies gewährleistet Stabilität und präzise Manövrierbarkeit. Darüber hinaus ist der Gabelkopf feuerverzinkt und damit vor leichten Witterungseinflüssen geschützt. Der Drehkranz ist abgedichtet, um Schmutz fernzuhalten. Der Drehkranz besteht aus einem Axialrollenlager und einem Kegelrollenlager, die eine reibungslose Drehung auch bei sehr hohen Belastungen ermöglichen. Der Gabelkopf und die Montageplatte sind mit Bolzen und punktgeschweißten Verbindungselementen sicher befestigt, so dass der Gabelkopf kein Spiel hat. Der Gabelkopf aus Stahl hat eine Stärke von 10 mm, und der Twist-Lock-Mechanismus und die Gabeln sind mit einem Schweißpunkt am Drehkopf befestigt.
- Artikelnummer:: 580.221
- Raddurchmesser: 150 mm
- Radbreite: 76 mm
- Gesamthöhe: 272.5 mm
- Plattengröße: 173 x 138 mm
- Tragfähigkeit: 1800 kg
- Ausladung: 65 mm
- Radtyp: Lenkrolle mit Richtungsfeststeller
- Befestigungstyp: ISO-Twistlock
- Gabel: 10 mm geschweißter Stahl, verzinkt
- Bremse: Blockiert nur das Rad
- Radkörper: Grauguss, schwarz lackiert
- Radlagerung: Doppeltes Kugellager
- Lauffläche: Polyurethan, vulkanisiert
- Shorehärte: ca. 95 Shore A
- Rollwiderstand: 4
- Verschleißfest: 4.5
- Dämpfung: 4
- Temperatur: - 20 / + 80 °C
- Passend für: Flache und raue Oberflächen
- Artikelnummer:: 580.221
- Raddurchmesser: 150 mm
- Radbreite: 76 mm
- Gesamthöhe: 272.5 mm
- Plattengröße: 173 x 138 mm
- Tragfähigkeit: 1800 kg
- Ausladung: 65 mm
- Radtyp: Lenkrolle mit Richtungsfeststeller
- Befestigungstyp: ISO-Twistlock
- Gabel: 10 mm geschweißter Stahl, verzinkt
- Bremse: Blockiert nur das Rad
- Radkörper: Grauguss, schwarz lackiert
- Radlagerung: Doppeltes Kugellager
- Lauffläche: Polyurethan, vulkanisiert
- Shorehärte: ca. 95 Shore A
- Rollwiderstand: 4
- Verschleißfest: 4.5
- Dämpfung: 4
- Temperatur: - 20 / + 80 °C
- Passend für: Flache und raue Oberflächen










