
Schwerlast-Lenkrolle aus Polyamid 75 mm - 600 kg
Hohe Tragfähigkeit, niedrige Bauhöhe
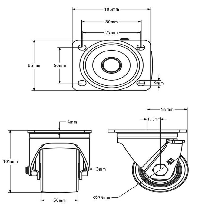
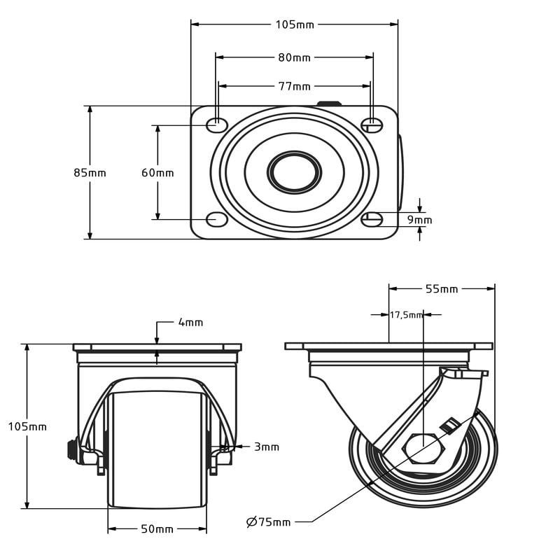
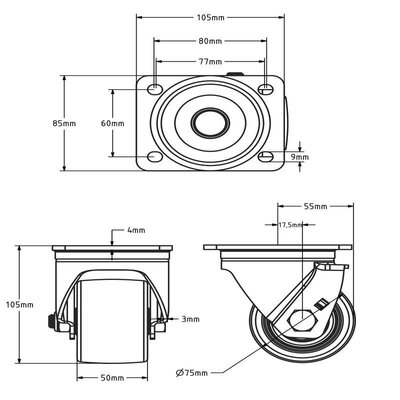
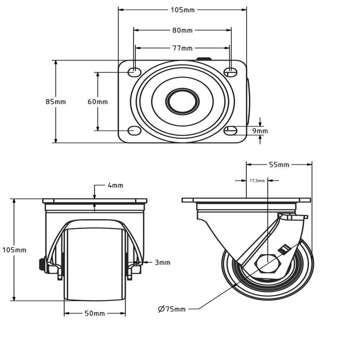
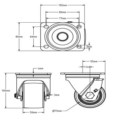
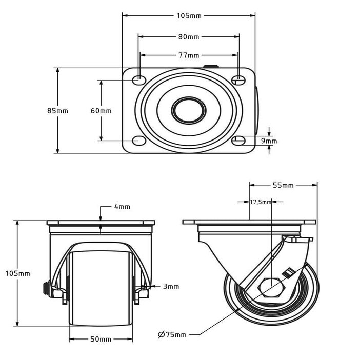
Die kleinen Schwerlastrollen haben einen Raddurchmesser von 75 mm und eine Plattenaufnahme von 105x85 mm mit einem Bolzenlochabstand von 80x60 mm und einem Ø9 mm Bolzenloch. Die Lenkrolle mit Bremse wird dort eingesetzt, wo eine geringe Bauhöhe bei gleichzeitig hoher Tragfähigkeit gefordert ist. Dies gilt für Maschinen, Gestelle und Wagen mit begrenztem Platz unter der Struktur oder wenn die Arbeitshöhe niedrig bleiben muss und gleichzeitig eine relativ hohe Tragfähigkeit von 600 kg erforderlich ist.
Eigenschaften der Rollen
Die 75-mm-Schwerlastrollen sind mit einem Polyamid-Rad und zwei Kugellagern ausgestattet. Die Kugellager sind mit Abdeckungen versehen, so dass Staub und Schmutz praktisch nicht in die Lager eindringen können. Dies unterstützt die Leichtgängigkeit und verhindert, dass die Räder mit der Zeit schwerer rollen.
Polyamid-Räder rollen sehr leicht auf ebenen, harten und möglichst sauberen Böden. Polyamid ist hart und dämpft nicht. Auf unebenen Böden ist mehr Schubkraft erforderlich und Vibrationen können stärker spürbar sein.
Diese Lenkrolle hat ein relativ geringes Gabelspiel. Dadurch steht das Rad nur wenig vor. Dies ist praktisch, wenn der verfügbare Platz begrenzt ist oder wenn der Wagen oder die Maschine so schmal wie möglich bleiben soll. Ein kleinerer Gabelkopfweg hat aber auch einen Nachteil: Der Selbstausrichtungseffekt ist begrenzt. Beim Anfahren und Befahren von Kurven muss sich das Rad unter Last schneller in die richtige Richtung drehen, was zusätzliche Schubkraft erfordert. Eine Lenkrolle mit größerem Gabelspiel schwenkt sanfter und fährt daher beim Anfahren und in Kurven leichter.
Rabatt ab 40 Stück, siehe Staffelpreise oder kontaktieren Sie uns für ein Angebot.
- Artikelnummer:: 510.230
- Raddurchmesser: 75 mm
- Radbreite: 50 mm
- Bolzenlochabstand: 80 x 60 - Ø 9 mm
- Gesamthöhe: 105 mm
- Plattengröße: 105 x 85 mm
- Tragfähigkeit: 600 kg
- Ausladung: 17,5 mm
- Radtyp: Lenkrolle
- Montage: Plattenmontage
- Gabel: Schwarz beschichtet
- Radlagerung: Doppeltes Kugellager, proportional
- Lauffläche: Polyamid (PA6)
- Shorehärte: 75 Ufer D
- Rollwiderstand: 5
- Verschleißfest: 5
- Dämpfung: 1
- Temperatur: - 20 / + 60 °C
- Passend für: Flache Oberfläche
- Artikelnummer:: 510.230
- Raddurchmesser: 75 mm
- Radbreite: 50 mm
- Bolzenlochabstand: 80 x 60 - Ø 9 mm
- Gesamthöhe: 105 mm
- Plattengröße: 105 x 85 mm
- Tragfähigkeit: 600 kg
- Ausladung: 17,5 mm
- Radtyp: Lenkrolle
- Montage: Plattenmontage
- Gabel: Schwarz beschichtet
- Radlagerung: Doppeltes Kugellager, proportional
- Lauffläche: Polyamid (PA6)
- Shorehärte: 75 Ufer D
- Rollwiderstand: 5
- Verschleißfest: 5
- Dämpfung: 1
- Temperatur: - 20 / + 60 °C
- Passend für: Flache Oberfläche









