
ISO Seecontainer Lenkrolle mit Bremse 150 mm - 3000 kg
Seecontainer Lenkrolle mit Bremse 150 mm mit ISO Twistlock - 3000 kg
Die ISO-Container-Lenkrolle wurde speziell entwickelt, um ISO-Container auch unter schweren Lasten leicht bewegen zu können. Um den Twist-Lock-Mechanismus zu befestigen, muss der Drehgriff gedrückt werden, wodurch sich der Mechanismus an den Eckbeschlägen der Verbindung festklemmt. Der gesamte Anbringungsprozess wird in unserem Leitfaden für Container-Rollen ausführlich beschrieben.
Die Lenkrolle hat einen Durchmesser von 150 mm und eine Breite von 76 mm, was eine geringe Bauhöhe bei hoher Belastung gewährleistet. Die Räder haben einen gelben Polyurethan-Reifen, der auf schwarz lackierte Grauguss-Felgen aufvulkanisiert ist. Die Reifen haben eine Härte von ca. 95 Shore A, wodurch das Rad leicht gedämpft und für unebene Oberflächen geeignet ist. Das Rad wird durch den Bremsmechanismus blockiert und verfügt über doppelte Kugellager 6205 2RS für einen reibungslosen und spannungsfreien Betrieb. Die Lenkrolle hat eine dynamische Tragfähigkeit von 3000 kg.
Der Drehkopf des Rades ist mit einer vierfachen Richtungssperre ausgestattet, die eine Arretierung in 90-Grad-Schritten ermöglicht. Dies gewährleistet Stabilität und präzise Manövrierbarkeit. Die feuerverzinkte Gabel bietet Schutz vor leichter Witterung, während die Dichtung am Drehkranz das Eindringen von Schmutz verhindert.
Für eine reibungslose Drehung auch unter extremen Belastungen ist der Drehkopf mit einem Axial- und einem Kegelrollenlager ausgestattet. Der Gabelkopf und die Montageplatte sind mit Schrauben und Schweißpunkten sicher befestigt, so dass kein Spiel im Gabelkopf entsteht. Der 10 mm dicke Stahlgabelkopf ist robust konstruiert, und sowohl der Twist-Lock-Mechanismus als auch die Gabeln sind mit Punktschweißungen am Drehkopf befestigt.
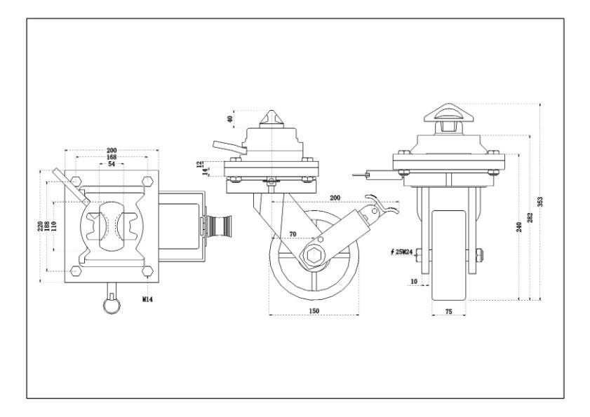
- Artikelnummer:: 581.221
- Raddurchmesser: 150 mm
- Radbreite: 76 mm
- Gesamthöhe: 282 mm
- Plattengröße: 220 x 200 mm
- Tragfähigkeit: 3000 kg
- Ausladung: 70 mm
- Radtyp: Lenkrolle mit Richtungsfeststeller
- Befestigungstyp: ISO-Twistlock
- Gabel: 10 mm geschweißter Stahl, verzinkt
- Bremse: Blockiert nur das Rad
- Radkörper: Grauguss, schwarz lackiert
- Radlagerung: Doppeltes Kugellager
- Lauffläche: Polyurethan, vulkanisiert
- Shorehärte: ca. 95 Shore A
- Rollwiderstand: 4
- Verschleißfest: 4.5
- Dämpfung: 4
- Temperatur: - 20 / + 80 °C
- Passend für: Flache und raue Oberflächen
- Artikelnummer:: 581.221
- Raddurchmesser: 150 mm
- Radbreite: 76 mm
- Gesamthöhe: 282 mm
- Plattengröße: 220 x 200 mm
- Tragfähigkeit: 3000 kg
- Ausladung: 70 mm
- Radtyp: Lenkrolle mit Richtungsfeststeller
- Befestigungstyp: ISO-Twistlock
- Gabel: 10 mm geschweißter Stahl, verzinkt
- Bremse: Blockiert nur das Rad
- Radkörper: Grauguss, schwarz lackiert
- Radlagerung: Doppeltes Kugellager
- Lauffläche: Polyurethan, vulkanisiert
- Shorehärte: ca. 95 Shore A
- Rollwiderstand: 4
- Verschleißfest: 4.5
- Dämpfung: 4
- Temperatur: - 20 / + 80 °C
- Passend für: Flache und raue Oberflächen