
Lenkrolle aus Polyamid mit Bremse 150 mm - verstärkt - kugelgelagert - 800 kg
Feste Bremse
Die Feststellbremse bewegt sich nicht mit der Lenkrolle wie bei herkömmlichen Bremssystemen. Das bedeutet, dass die Bremse immer hervorsteht und unabhängig von der Schwenkposition verwendet werden kann. Dadurch eignet sich die Bremse aufgrund des kürzeren Ausschwenkens für den Einsatz in kompakten Räumen. Die Bremse ist einstellbar und blockiert sowohl Rad als auch Gabelkopf spielfrei.
Widerstandsfähig gegen Stöße und Schläge
Die verstärkte Lenkgabel in Kombination mit einem Rad aus Polyamid ist für eine intensive Nutzung geeignet. Diese hochbelastbaren Lenkrollen mit Feststellbremse sind ideal für schwer beladene Transportwagen, die Stößen und Schlägen ausgesetzt sind. Die Lenkrolle hat eine doppelte, gehärtete Kugellaufbahn, die an mehreren Stellen fest vernietet ist, so dass sie spielfrei ist.
Verschleißfest und langlebig
Das Rad aus Polyamid eignet sich gut für ebene Betonböden mit wenig Schmutz. Für Böden mit Schmutz oder rauen Oberflächen ist Polyurethan besser geeignet. Polyamid hat einen geringen Rollwiderstand auf flachen, sauberen Böden, kann aber auf rauen Oberflächen mehr Vibrationen und Lärm verursachen. Polyamid ist sehr abrieb- und stoßfest. Der verstärkte Drehkranz ist gut geschmiert und kann über den Schmiernippel nachgeschmiert werden. Der verdickte 14-mm-Drehkranz ist fast vollständig geschlossen und hat einen roten Staubring als zusätzlichen Schutz gegen Staub und Schmutz.
Geringer Rollwiderstand
Aufgrund der Härte und der leichten Wölbung des Polyamid-Rades gibt es nur eine geringe Kontaktfläche mit der Oberfläche, was zu einer minimalen Reibung führt. Dies gewährleistet einen geringen Rollwiderstand und eine lange Rollkontinuität. Die Räder sind beidseitig mit Präzisionskugellagern (6204 ZZ) ausgestattet und spannungsfrei gelagert.
- Artikelnummer:: 458.234
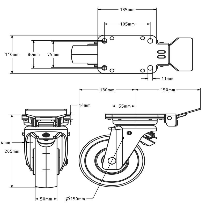
- Raddurchmesser: 150 mm
- Radbreite: 50 mm
- Gesamthöhe: 205 mm
- Plattengröße: 135 x 110 mm
- Bolzenlochabstand: 105 x 80 - Ø 11 mm
- Tragfähigkeit: 800 kg
- Ausladung: 55 mm
- Radtyp: Lenkrolle mit Feststellbremse
- Bremse: Sperrt Rad und Schwenkkopf gleichzeitig
- Montage: Plattenmontage
- Gabel: Grauguss, pulverbeschichtet
- Radlagerung: Doppeltes Kugellager
- Lauffläche: Polyamid (PA6)
- Shorehärte: ca. 75 Shore D
- Rollwiderstand: 5
- Verschleißfest: 5
- Dämpfung: 1
- Temperatur: - 20 / + 80 °C
- Passend für: Flache Oberfläche
- Artikelnummer:: 458.234
- Raddurchmesser: 150 mm
- Radbreite: 50 mm
- Gesamthöhe: 205 mm
- Plattengröße: 135 x 110 mm
- Bolzenlochabstand: 105 x 80 - Ø 11 mm
- Tragfähigkeit: 800 kg
- Ausladung: 55 mm
- Radtyp: Lenkrolle mit Feststellbremse
- Bremse: Sperrt Rad und Schwenkkopf gleichzeitig
- Montage: Plattenmontage
- Gabel: Grauguss, pulverbeschichtet
- Radlagerung: Doppeltes Kugellager
- Lauffläche: Polyamid (PA6)
- Shorehärte: ca. 75 Shore D
- Rollwiderstand: 5
- Verschleißfest: 5
- Dämpfung: 1
- Temperatur: - 20 / + 80 °C
- Passend für: Flache Oberfläche












