
Kunststoff-Diabolo-Rolle 70 mm - Bohrung 15 mm - 100 kg
Toon alle:
Rohr Rollen
Beschreibung
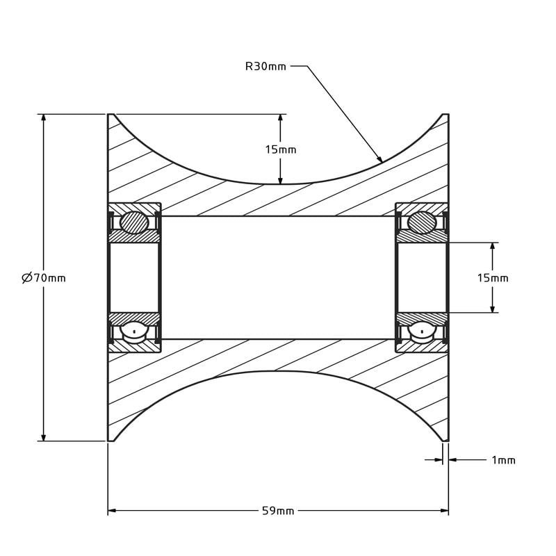
Die Diabolo-Rolle, auch Schlauchrad genannt, ist für den Einsatz auf einem Ø51 mm Schlauch konzipiert. Durch die Diaboloform wird das Rad auf dem Rohr geführt und die Gefahr des Abrollens reduziert. Der Einsatz erfolgt hauptsächlich in Gewächshäusern und anderen Anlagen mit Rollführung.
Das Rohrrad ist mit Kugellagern ausgestattet und hat eine 15-mm-Achsbohrung. Dadurch lässt sich das Teil leicht in bestehende Strukturen oder Rollbahnen einbauen. Geeignet als Ersatz oder für neue Gewächshausanlagen und ähnliche Anwendungen.
Rabatt ab 40 Stück, siehe Staffelpreise oder kontaktieren Sie uns für ein Angebot.
Lesen Sie mehr
Eigenschaften
- Artikelnummer:: 178.820
- Raddurchmesser: 70 mm
- Radbreite: 59 mm
- Achsloch: 15 mm
- Asche: Standaard
- Nabenlänge: 58 mm
- Tragfähigkeit: 100 kg
- Material: Polyamid (Kunststoff)
- Lagertyp: 6002-2Z
- Temperatur: - 20 / + 80 °C
Alle anzeigen
Eigenschaften
- Artikelnummer:: 178.820
- Raddurchmesser: 70 mm
- Radbreite: 59 mm
- Achsloch: 15 mm
- Asche: Standaard
- Nabenlänge: 58 mm
- Tragfähigkeit: 100 kg
- Material: Polyamid (Kunststoff)
- Lagertyp: 6002-2Z
- Temperatur: - 20 / + 80 °C
Alle anzeigen
Vergleich
Stellen Sie uns Ihre Frage














